


2.2. CG19系列數顯表
CG19系列數顯表適用于電力電網、 自動化控制系統中對電流、電壓、頻率、功率、功率因數等電參量的測量和顯示, 具有顯示直觀、精度高、穩定性好、抗振動等優點。同時還可選配K系列儀表:具有RS485數字接口、模擬量輸出功能; S系列儀表:具備開關量輸入和繼電器輸出功能,滿足不同使用場合的需求。



2.3. CG194E系列多功能電力儀表
CG194E系列多功能電力儀表是針對電力系統、工礦企業、公共設施、 智能大廈等的電力智能監控和電能計量等需求而設計,能夠高精度測量三相電網中的三相電壓、三相電流、有功功率、無功功率、視在功率、頻率、功率因數、四象限電能,并具有數字通訊、電能脈沖輸出功能。CG194E系列多功能電力儀表可以直接取代常規測量指示儀表、電能計量表以及相關的輔助單元。作為一種先進的智能化、數字化的電網前端采集元件,該儀表可以應用于各種控制系統,能源管理系統,變電站自動化,配電網自動化,小區電力監控,工業自動化,智能建筑,智能配電盤,開關柜中,具有安裝方便,接線簡單,維護方便,工程量小,現場可編程輸入參數的特點。


2.4. CG194Z系列多功能網絡電力儀表
CG194Z多功能網絡電力儀表可測量各種常用電力參數、 電能計量, 并具有數字通訊、越限報警、監測開關狀態、電能脈沖輸出和模擬量變送輸出等功能。還可選配分時計費功能,實現8時段4費率的計費方式。液晶多功能網絡電力儀表有極高的性價比, 可以直接取代常規測量指示儀表、電能計量表以及相關的輔助單元。作為一種先進的智能化、數字化的電網前端采集元件,該儀表可以應用于各種控制系統,能源管理系統,變電站自動化, 配電網自動化,小區電力監控, 工業自動化,智能建筑,智能配電盤,開關柜中,具有安裝方便,接線簡單,維護方便,工程量小,現場可編程輸入參數的特點。


2.5. H系列、PA系列多功能諧波表
H系列多功能諧波表可測量各種常用電力參數、電能計量,并具有數字通訊、越限報警、監測開關狀態、電能脈沖輸出和模擬量變送輸出等功能,以及 次 奇次諧波分析功能。PA系列諧波表是在H系列諧波的基礎上增加了電流、電壓、有功、無功率需量統計和SOE事件記錄功能;還具有分時計費功能, 實現12時段4費率的計費方式;并增加了 電流、電壓諧波分析功能。該系列多功能諧波表可用于能源管理系統、電力監控系統、變電站自動化、智能建筑、開關柜等配電網絡系統。
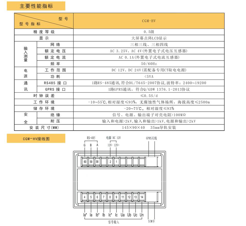
CGM-HV環網柜型高壓電能表可測量各種電力參數,具備電能計量、需量統計、SOE監控記錄并帶有時標、復費率計量等功能。并具有RS485和GPRS通訊接口, 與主站的通信協議符合Q/GDW1376.1-2013,與本地的負荷控制終端等抄表設備的通信協議符合DL/T645-2007。CGM-HV環網柜型高壓電能表具有體積小巧,安裝方便, 靈活性強的顯著優點, 使得我國現有大量已有環網柜和新增環網柜在電源節點具有高壓電能計量功能, 為電力系統配電網線損管理工作提供了關鍵設備。
CGM501屏裝式安裝直流電能表是針對直流屏、太陽能供電、電信基站等應用場合而設計的, 該電力儀表可測量直流系統中的電壓、電流、功率、正向與反向電能。既可用于本地顯示, 又能與工控設備、計算機連接,組成測控系統。儀表可具有RS-485 通訊接口,采用 DLT 645-2007 協議, LED 顯示,采用開孔安裝。
2.8. CGM19系列導軌式安裝電能表
CGM19系列導軌式安裝電能表可測量單相或三相電能和電參數,采用LCD顯示,具有高可靠性,體積小,重量輕,外形美觀,安裝方便等特點。產品符合GB/ T17215.321-2008標準中1級靜止式交流有功電能表相關技術要求。CGM19系列導軌式安裝電能表是一種室內三相電能表,是我公司為了適應我國電網改造,適應我國國情而設計開發的電能表。它具有較高的準確度和可行性。

